新风首页 公司简介 新风新闻 新风系统 工程展示 企业荣誉 联系我们
松下新风机荆州专卖店.销售热线:4006-899-315
  产品列表-松下
全热交换器系列
 
薄型
一般型
双向流新风机
送风机系列
 
静音型送风机
迷你型送风机
耐湿型送风机
管道型吸排气扇
 
特性
产品
新风系统专用部材
 
双向管罩
新风净化箱
6分歧箱
其他配件
  换气设计
松下换气提案A
松下换气提案B
松下换气提案C
松下换气提案D
产品展示 > 松下 > 新风系统专用部材 > 双向管罩  
■ 享受健康、舒适、安逸的室内空气环境
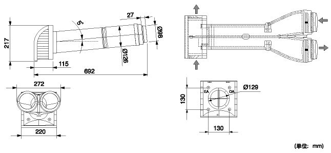
双向管罩 FV-WYP101C
新风双向管罩

施工简易
双向管罩吸气与排气都使用一个风口,大大减少了施工时间,安装更简易,更快捷。

保持外观整洁
吸排气合为一体,在房屋墙壁上只需要打1个孔,减少了在墙壁上打孔的数量,保持了墙面的整洁与美观。

防止气流短路
从根本上杜绝因为安装错误产生的空气短路现象,保证换气效率。

抵抗损失曲线
新风双向管罩
配件尺寸图
新风双向管罩
友情链接:
武汉新风机 宜昌新风机 荆州新风机 荆州新风机 武汉三菱电机新风机 武汉空气能热水器
武汉中央空调 宜昌中央空调 荆州中央空调 荆州中央空调 武汉三菱电机中央空调 武汉三菱重工海尔空调
武汉美的中央空调 宜昌美的中央空调 荆州美的中央空调 荆州美的中央空调 武汉美的风幕机 武汉空调扇
武汉约克中央空调 宜昌约克中央空调 荆州约克中央空调 荆州约克中央空调 宜昌三菱电机中央空调 武汉中央吸尘系统
版权所有:三菱中央空调及新风机荆州专卖店 全国销售热线:4006-899-315